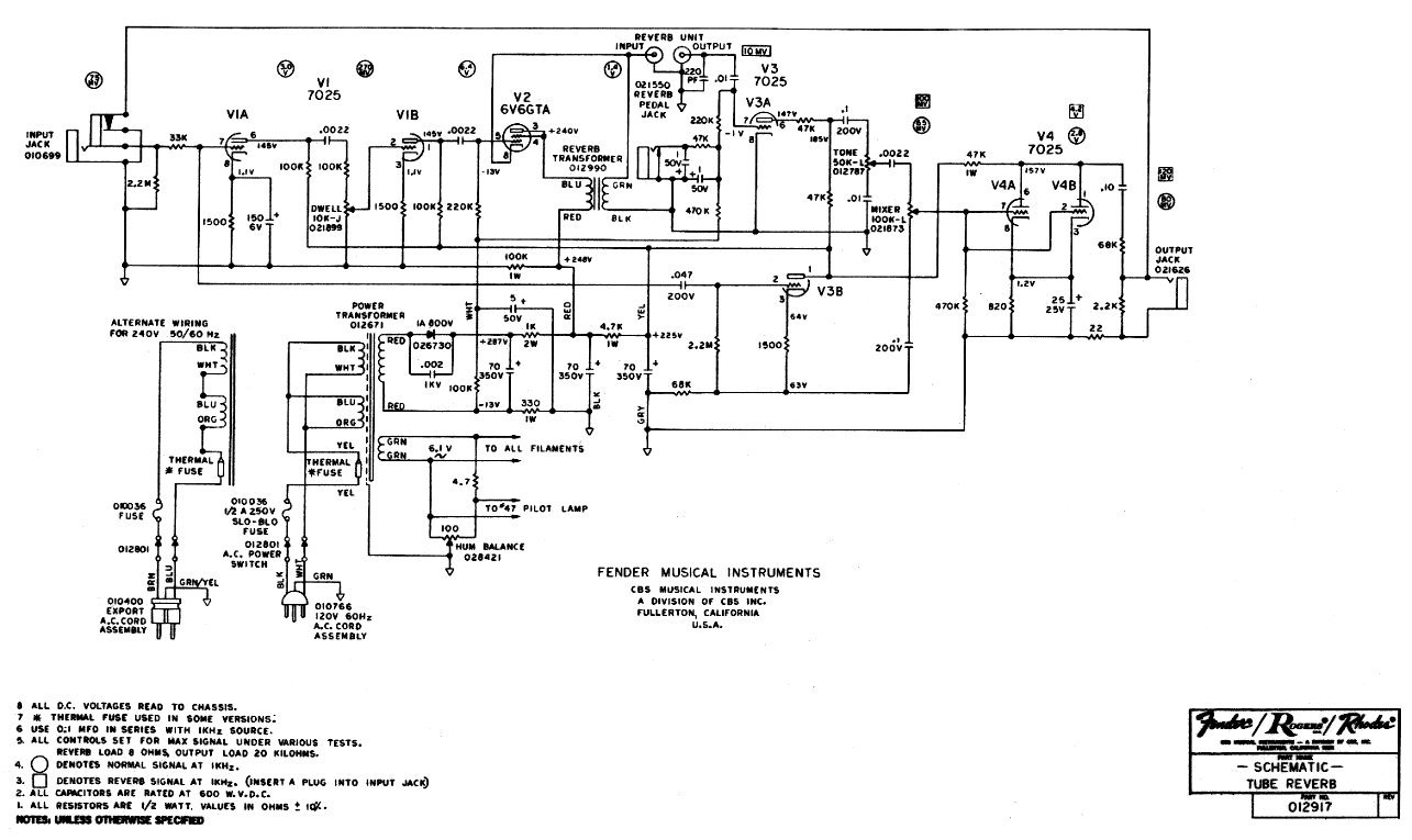
Fender Tube Reverb SF — это классический ламповый пружинный ревербератор., выполненный в виде отдельного устройства (обычно такие ревербераторы встраиваются в гитарные комбики). Для работы этого ревербера необходим собственно электромеханический блок пружинного ревербератора. Он может быть самодельным или фабричным. Состоит такой блок из нескольких стальных пружин, электромагнитного возбудителя и электромагнитного датчика.

