По сравнению с источниками питания на основе сетевого понижающего трансформатора так называемые импульсные обычно имеют больший КПД, меньшие массу и габариты. Однако для питания УМЗЧ как в самодельных, так и в промышленных конструкциях импульсные источники питания (ИИП) используются нечасто. В былые времена многие из них были относительно дорогостоящими, ненадёжными, работали на относительно низкой частоте преобразования, были источником заметных помех для звукоусилительных устройств. Современные ИИП могут быть лишены недостатков предшественников, и их применение в УМЗЧ не вызывает каких-либо трудностей.
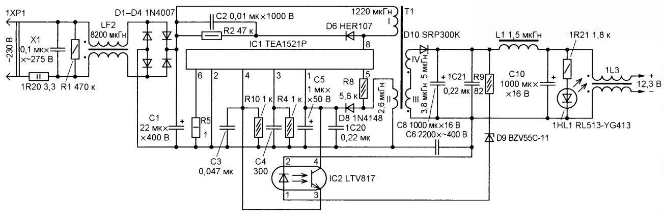
Для питания предлагаемого вниманию читателей УМЗЧ было решено использовать готовый ИИП с маркировкой «DVD9909A» (от DVD-проигрывателя Akai А-4191). Его номинальная мощность — около 20 Вт, выходное напряжение — +5, +12 и -12 В. К сожалению, вторичные обмотки импульсного трансформатора и выпрямители для получения двух последних значений напряжения рассчитаны на небольшой ток, поэтому для того, чтобы ИИП можно было использовать для питания УМЗЧ, его пришлось немного доработать: переделать импульсный трансформатор, заменить некоторые детали, добавить несколько новых. Схема доработанного устройства показана на рис. 1. Позиционные обозначения деталей соответствуют маркировке на плате, все элементы с обозначениями, отсутствующими на схеме, удалены, обозначения дополнительно установленных деталей начинаются с префикса 1.
Импульсный трансформатор Т1 дорабатывают, не разбирая магнитопро-вод, — благодаря относительно большим зазорам в его окнах и открытой секционированной конструкции катушки это не вызывает затруднений. Обмотка I намотана в двух крайних секциях, обмотки обратной связи (II) и выходного напряжения +5 В (III) занимают по одной секции, ещё одна занята обмотками для получения значений напряжения +12 и -12 В. Эти две обмотки удаляют, а на их место наматывают пять витков сложенного втрое обмоточного провода диаметром 0,33 мм. Новая обмотка обозначена на схеме римской цифрой IV. Её соединяют последовательно с обмоткой III, которая ранее использовалась с выпрямителем напряжения +5 В. При правильном соединении суммарная индуктивность обмоток III и IV должна быть больше индуктивности каждой из них. Переделанный трансформатор устанавливают на его место на монтажной плате.


Схема источника питания.
Чтобы уместить ИИП в выбранный для конструкции корпус, его плата укорочена до 81 мм (ширина осталась прежней — 46 мм). Для этого с неё пришлось удалить контактные гнёзда и держатель плавкой вставки. Вместо последней был установлен проволочный резистор 1R20, который будет выполнять её функцию, а также дополнительно ограничивать импульсный ток в момент подачи напряжения сети 230 В.
Двухобмоточный дроссель LF2, быстро пришедший в негодность из-за микродеформаций платы, заменён аналогичным. Резистор R1 заменён резистором такого же номинала с мощностью рассеяния 1 Вт. Параллельно оксидному конденсатору С5 подключён керамический 1С20.

Все элементы, относящиеся к выпрямителям напряжения +12 и -12 В, и подключённый параллельно конденсатору С8 нагрузочный резистор R11 сопротивлением 150 Ом с платы удалены. Вместо диода Шотки SR360 (D10) установлен быстрый высоковольтный кремниевый диод SRP300K, а вместо оксидного конденсатора С8 (2200 мкФ, 10 В) — конденсатор ёмкостью 1000 мкФ с номинальным напряжением 16 В. Такой же конденсатор установлен на место СЮ, который пришлось передвинуть на освободившееся место на монтажной плате. Параллельно С8 припаян керамический конденсатор 1С21.
Для индикации наличия выходного напряжения добавлены светодиод 1HL1 и токоограничивающий резистор 1R21. Дополнительный двухобмоточный дроссель 1L3 находится вне монтажной платы. Стабилитрон D9 с напряжением стабилизации 4,3 В заменён маломощным стабилитроном на 11 В.
Резистор 1R20 — малогабаритный проволочный сопротивлением 3,3… 12 Ом, с мощностью рассеяния 1…3 Вт. Резистор R5 — безындукционный импортный невозгораемый, при отсутствии такого подойдёт, например, отечественный МОН. Конденсаторы 1С20, 1С21 — керамические для поверхностного монтажа (SMD), припаяны к выводам соответствующих оксидных конденсаторов.

Кликните на схеме чтобы посомтреть ее в высоком разрешении
Для лучшего охлаждения микросхемы ТЕА1521Р (а следовательно, и повышения надёжности источника питания) к нижней стороне её корпуса клеем БФ-2 приклеен А-образный латунный теплоотвод с площадью охлаждающей поверхности около 4 см2. После трёхдневной сушки при комнатной температуре микросхема вновь установлена на старое место, при этом другой стороной теплоотвод дополнительно приклеен к монтажной плате. При повторении конструкции не забудьте перед нанесением клея тщательно подготовить склеиваемые поверхности (очистить от грязи и окислов, обезжирить, высушить) и проследите за тем, чтобы не установить микросхему зеркально и чтобы теплоотвод не соприкасался ни с одним из выводов микросхемы.
Дроссель 1L3 — пять витков сложенного вдвое многожильного монтажного провода в ПВХ-изоляции, намотанных на кольцевом магнитопро-воде внешним диаметром 15 мм из низкочастотного феррита. Стабилитрон BZV55C-11 заменим любым из 1 N4741 A, TZMC-11, КС211Ж, 2С211Ж, а светодиод RL513-YG413 зелёного цвета свечения — любым аналогичным непрерывного свечения без встроенного резистора, например, из серии КИПД35.
После описанной доработки на выходе импульсного источника питания формируется стабилизированное напряжение около 12 В при токе нагрузки до 1,5 А. Монтажная плата доработанного ИИП показана на рис. 2.

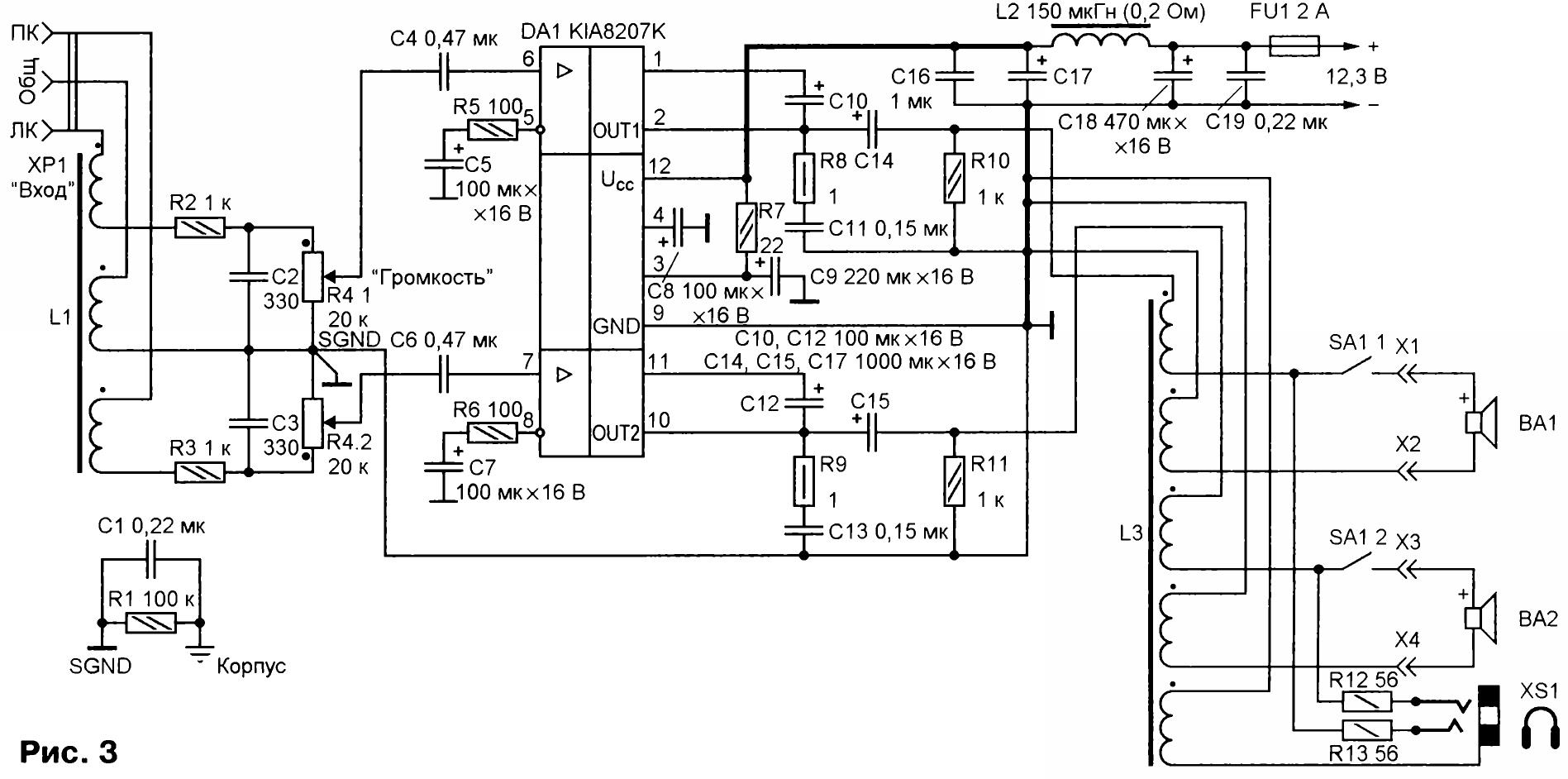
Схема двухкананального УМЗЧ представлена на рис. 3. Его основа — интегральная микросхема KIA8207K, представляющая собой двухканальный двухтактный УМЗЧ с однополярным питанием. Её напряжение питания может быть любым в пределах 6…15 В, максимальная выходная мощность — около 5 Вт в каждом канале, максимальная рассеиваемая микросхемой мощность — 12,5 Вт.
Напряжение 34 поступает на регулятор громкости — сдвоенный переменный резистор R4 — через дроссель L1 и резисторы R2, R3. Конденсаторы С2, СЗ препятствуют поступлению на вход усилителя колебаний РЧ. С движков переменного резистора стереосигнал через разделительные конденсаторы С4, С6 поступает на неинвертирующие входы каналов микросхемы DA1. Усиленные сигналы с её выходов через разделительные конденсаторы С14, С15, дроссель L3 и замкнутые контакты двухполюсного выключателя SA1 поступают на подключённые к выходу УМЗЧ громкоговорители (АС) ВА1 и ВА2. Конденсаторы СЮ, С12 — вольто-добавка. Демпфирующие цепи R8C11 и R9C13 препятствуют самовозбуждению микросхемы DA1 на ультразвуковых частотах. Резисторы R10, R11 препятствуют появлению щелчка при подключении нагрузки к работающему УМЗЧ.
Коэффициент усиления микросхемы по напряжению при установке движков переменного резистора R4 в положение, соответствующее максимальной громкости, — около 200. Это очень большое усиление, позволяющее подключать УМЧЗ практически к любому источнику сигнала, но одновременно растут требования к оптимальной компоновке узлов устройства и экранированию его входных сигнальных цепей. К гнезду XS1 можно подключить головные стереотелефоны, резисторы R12, R13 ограничивают поступающую на них мощность.

Питается микросхема DA1 от описанного выше источника через фильтр C18C19L2C16C17. Для предотвращения негативных последствий от случайных замыканий металлический корпус конструкции соединён с сигнальным общим проводом через параллельную цепь R1C1 (показана в левом нижнем углу рис. 3).
УМЗЧ смонтирован на плате размерами 98×66 мм из стеклотекстолита, монтаж — двухсторонний навесной (рис. 4). После проверки работоспособности монтажная плата покрыта с обеих сторон густым цапонлаком.
Возможная замена микросхемы KIA8207K — ТА8207К. Микросхема установлена на ребристый дюралюминиевый теплоотвод с площадью охлаждающей поверхности 80 см2 (одна сторона). К теплоотводу клеем БФ-2 приклеены резиновые изоляторы, предотвращающие его касание с верхней крышкой корпуса, а под ним в монтажной плате просверлены дополнительные вентиляционные отверстия. Теплоотводящий фланец микросхемы DA1 электрически соединён с выводом 9.
Выключатель SA1 — ПД11-6, одноимённые контакты неиспользуемых (по схеме) групп контактов подключены параллельно используемым. Металлический корпус выключателя соединён с выводом отрицательной обкладки конденсатора С17. Дроссель L1 содержит пять витков сложенного втрое многожильного монтажного провода, намотанных на кольцевом магнитопроводе диаметром 10 мм из низкочастотного феррита, a L3 — столько же витков сложенных вместе пяти многожильных монтажных проводов в ПВХ-изоляции сечением по меди 0,75 мм2, намотанных на ферритовом кольце диаметром 15 мм. Дроссель L2 — готовый промышленного изготовления, намотан на Н-образ-ном ферритовом магнитопроводе, сопротивление обмотки — не более 0,2 Ом, индуктивность — чем больше, тем лучше. Такие дроссели часто применяются в узлах коррекции растра импортных кинескопных телевизоров, мониторов и в импортных импульсных БП.
Для регулирования громкости (R4) подойдёт сдвоенный переменный резистор сопротивлением 4,7…50 кОм (чем меньше его сопротивление, тем лучше). Его металлический экран соединён с общим проводом. Все сигнальные цепи в УМЗЧ выполнены экранированными проводами. Постоянные резисторы — любого типа малогабаритные общего применения. Конденсаторы С4, С6, С11, С13 — плёночные, С2, СЗ — керамические (вместе с резисторами R2, R3 они припаяны непосредственно к выводам резистора R4). Конденсатор С16 — также керамический, припаян как можно ближе к соответствующим выводам микросхемы DA1. На конденсатор С17 приклеена изолирующая шайба. Плавкая вставка FU1 — малогабаритная, подойдёт и самовосстанавливающий-ся предохранитель на рабочий ток 2…2,5 А.
Вместе с источником питания УМЗЧ помещён в стальной корпус размерами 169x95x34 мм от телевизионной DVB-12-приставки World Vision Т40. Модуль питания изолирован от корпуса толстой пластиковой плёнкой. Такая же плёнка приклеена к верхней части корпуса конденсатора С1, который, если этого не сделать, может соприкоснуться с верхней металлической крышкой усилителя.
Если у вас найдётся такой же корпус, учитывайте, что его передняя панель изготовлена из затемнённого органического стекла, поэтому при установке на ней регулятора громкости, выключателя и гнезда для подключения головных телефонов может быть легко повреждена. Вид на компоновку узлов в корпусе показан на рис. 5.
Провода, идущие к выключателю SA1, должны представлять собой витые пары, помещённые в толстые ПВХ-трубки, отодвинутые подальше от сигнальных цепей. Сигнальные цепи должны находиться как можно дальше

от ИИП. Сигнальный провод с разъёмом ХР1 маркирован цветными термоусаживаемыми трубками, что облегчает его идентификацию, если рядом лежат несколько аналогичных проводов. Если для устройства понадобится выключатель питания сети 230 В, его удобнее смонтировать на шнуре питания, как это обычно делается для различных светильников. Масса устройства — всего 430 г, примерно столько же или больше весил бы один понижающий трансформатор, если бы для питания УМЗЧ использовался источник на его основе.
Безошибочно изготовленный из исправных деталей усилитель начинает работать через 1 …2 с после подачи напряжения питания 230 В и не требует налаживания. Для проверки его работы можно воспользоваться генератором 34 и осциллографом, с помощью которых определяют отсутствие заметных искажений, помех и самовозбуждения УМЗЧ. При их наличии следует изменить разводку силовых и сигнальных цепей, руководствуясь общими принципами компоновки узлов УМЗЧ.
В режиме нулевой громкости устройство потребляет от сети мощность около 1,2 Вт, при выходной мощности 1… 1,5 Вт в каждом канале (на нагрузке сопротивлением 8 Ом) — около 6…8 Вт. Вместо ИИП, применённого автором, можно использовать любой аналогичный мощностью 20…30 Вт от старых DVD-проигрывателей, переделанный по описанной методике на напряжение 12 В и ток 1,5…2 А. Также подойдёт импульсный блок, описанный в статье автора «Замена микросхемы SD4842P67K65 на FSDH321 в блоке питания S-12-12» («Радио», 2016, № 12, с. 26), или аналогичный из числа тех, которые обычно используют для питания светодиодных светильников.
При испытаниях УМЗЧ помех на его выходах от импульсного блока питания не было обнаружено ни на слух, ни с помощью осциллографа. Также не было зафиксировано каких-либо помех от работающих рядом мобильных телефонных аппаратов, УМЗЧ не реагировал на их излучение, даже если телефонный аппарат находился на корпусе усилителя. Как показала практика, многочисленные активные АС, старые промышленные усилители даже в полностью металлических корпусах, могут улавливать излучение мобильных телефонов с расстояния в несколько метров.
A. Бутов, с.Курба Ярославская обл. «радио» 2017г №7
