
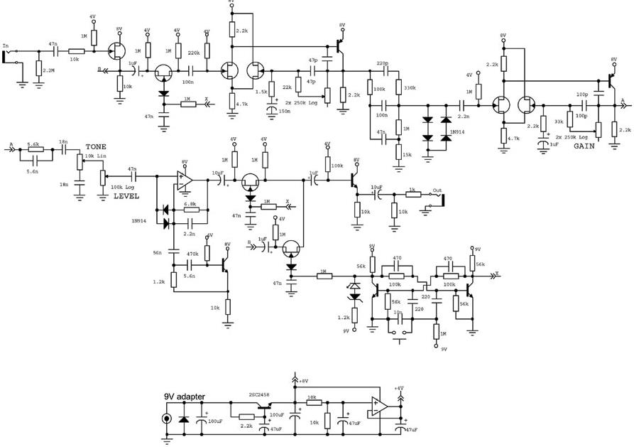
Примочка BOSS Blues Driver BD-2. Интересная педаль эффектов под легендарной торговой маркой BOSS (Roland). Очень интересная схемотехника на полевых транзисторах и одном операционном усилителе. Биполярные транзисторы применены также в триггере переключения режимов байпас — эффект. На первой половинке сдвоенного ОУ собран каскад ограничителя амплитуды. На второй половинке ОУ собран драйвер для создания искуственной средней точки в узле питания. Искусственная средняя точка нужна для питания ОУ от однополярного источника +9V. В эффекте используется схема с двойным искажением сигнала. Первый ограничитель собран на четырех диодах, второй — на операционном усилителе и двух диодах в его обратной связи.
