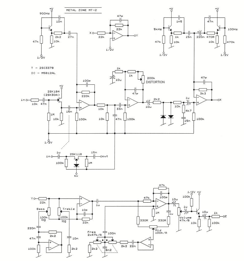
Схема гитарной педали — DISTORTION BOSS Metal Zone MT-2. По сути — обыкновенный классический дисторшн, ничего особенного в этой схеме нет. Пассивный ограничитель на двух встречных диодах, и узел формирования тембра на простом фильтре на операционном усилителе.

