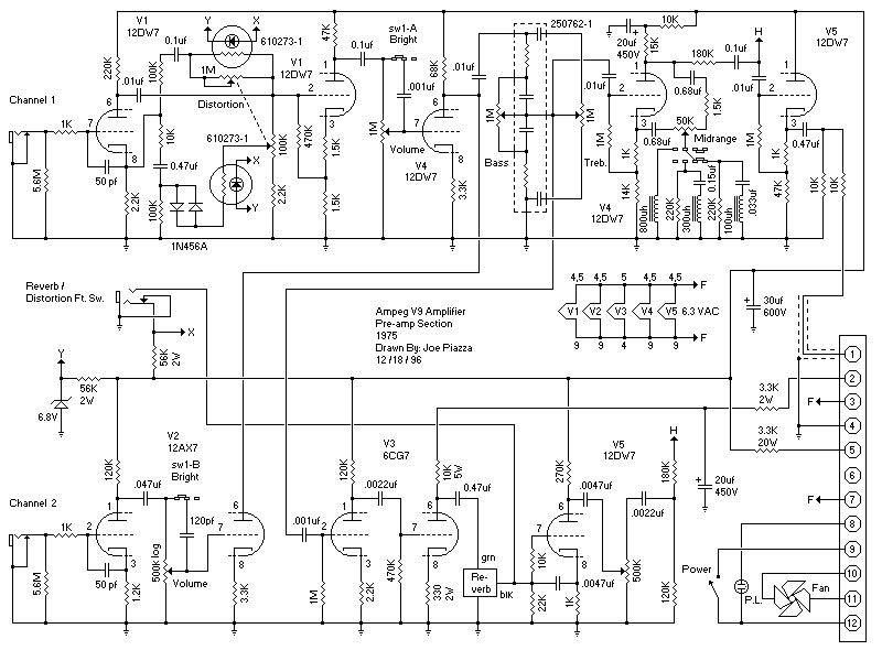
Все статьи блогаГитарная электроникаГитарные усилители и комбикиГитарные эффектыЛамповые СхемыМузыкальная электроникаAmpeg V9 Preamp. Модель 1975 года Принципиальная схема гитарного преампа Ampeg V9 Preamp