Простой термометр — приставку к компьютеру можно сделать, используя распространенный и очень удобный в применении цифровой датчик температуры 18B20. Такая приставка подключается к компьютеру через COM порт. COM порт (он же RS232) — это довольно старый интерфейс, но он до сих пор используется во многих промышленных устройствах. Если на вашем компьютере нет такого разъема, то вы можете использовать дешевый переходник USB — RS232. Такой переходник создает в системе виртуальный COM порт с каким-нибудь номером. Купить переходник можно в любом компьютерном магазине, но я советую заказывать его в Китае. Тогда он обойдется вам в разы дешевле, примерно 1 доллар.

Датчик температуры 18B20 представляет собой микросхему в корпусе TO-92. На первый взгляд его не отличить от обычного транзистора. У датчика всего три вывода. Вывод с номером 1 — это «земля», питание подключается к выводу 3, а цифровой сигнал температуры снимается с ножки 2. Микросхема соединяется с ведущим устройством (у нас это будет компьютер) посредством довольно простого протокола, который называется 1-Wire, что переводится с английского как «один провод». Таким образом информация передается по одному сигнальному проводу. Но конечно, нам необходимо 3 провода для того, чтобы подключить датчик.

Весь протокол связи через порт компьютера реализован в маленькой управляющей программе, которую необходимо запустить на компьютере, после подключения к нему нашей приставки. Программу можно скачать по ссылке в конце статьи.

Если приставка собрана правильно, выбран нужный ком-порт и датчик 18B20 исправен, то программа покажет серийный номер датчика и его температуру.
Кроме всего прочего, приставку можно использовать для проверки работоспособности датчиков 18B20 перед использованием из в ваших самоделках и для определения уникального кода датчика (его серийного номера). Это иногда бывает нужно, чтобы подключить к микроконтроллеру несколько таких датчиков по одной линии 1-Wire.

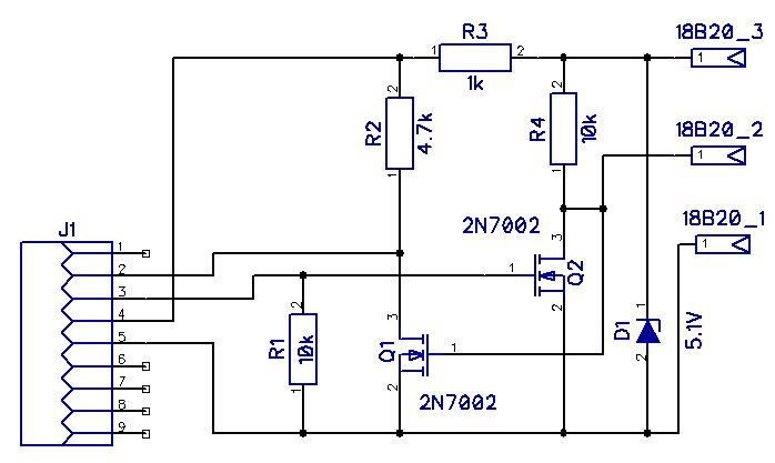
Схема приставки — термометра для компьютера
Схема представляет собой устройство согласования шины 1-Wire датчика с портом RS232 компьютера. В схеме всего несколько деталей. Функции ключей выполняют два транзистора типа 2N7002. Это очень распространенные и исключительно дешевые MOSFET транзисторы в SMD корпусе. Эти транзисторы в мире полевиков являются чем-то вроде народного КТ315 в мире советских биполярных транзисторов. Они используются в миллионах радиолюбительских конструкций и в огромном количестве различной промышленной радиоэлектронной техники. Если вы захотите собрать эту схему на макетной плате из выводных компонентов, то транзисторы 2N7002 можно заменить аналогом в корпусе TO-92, не менее распространенным и легендарным 2N7000. Ссылки на детали я помещу в конце статьи. Стабилитрон применен выводной, любого типа, на напряжение в районе 5 вольт.
Печатная плата устройства рассчитана на установку SMD транзисторов и резисторов, и разъема DB9, предназначенного для установки на печатную плату. В качестве панельки для датчика 18B20 используется панелька для 6-выводных микросхем DIP6.
Как я уже писал, вы можете использовать все компоненты выводного типа и собрать эту приставку на кусочке макетной платы, как это сделал я с моим первым устройством. Оно до сих пор работает, я применяю его для проверки датчиков 18B20.

Специально для данной статьи я развел печатную плату в программе DipTrace.


Скачать проект печатной платы + программу измерения температуры Контактные данные автора программы находятся в меню самой программы. Я не являюсь автором этой программы, все вопросы по ее работе задавайте ему. Вопросы по печатной плате можете задавать мне в разделе «контакты», так как плату разводил я.

Купить датчики DS18B20 в Китае

Купить транзисторы 2N7002 в Китае

архив с платой и прогой битый
Все прекрасно скачивается и распаковывается.
Здравствуйте !
хотел повторить проект с микросхемой DS2417, можете исходники программы дать ?