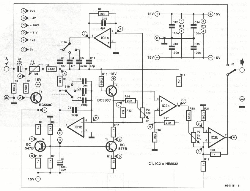
Принципиальная схема гитарного эффекта Elektor Parametric EQ. Педаль представляет собой параметрический эквалайзер для электрогитары. Параметрический эквалайзер в отличие от графического — более сложное устройство, чем простой «графический» эквалайзер. Полосы графического эквалайзера имеют фиксированные параметры — частоту настройки и добротность. В отличие от графического эквалайзера, его параметрический «брат» позволяет гибко настраивать параметры каждой частотной полосы. Собственно, поэтому этот эквалайзер и называется «параметрический». В параметрическом эквалайзере можно произвольно выбрать частоту настройки каждой полосы и ее ширину (добротность). Параметрический эквалайзер позволяет более гибко «рулить» тембром звука, но, в то же время более дорог и более сложен в эксплуатации.

Принципиальная схема гитарного эффекта Elektor Parametric EQ
