Стабилизированный линейный блок питания 12V 400W
Для построения стабилизированных источников питания на большие токи сейчас чаще всего используют импульсные схемы. Они более дешевы, имеют сравнительно небольшие габариты и вес. Однако в некоторых случаях повышенный уровень высокочастотных помех, который присущ импульсным схемам, становится препятствием для некоторых применений. Например для питания высококачественного усилителя мощности звуковой частоты или для какой-либо измерительной аппаратуры всегда будет в приоритете именно линейный источник питания. Еще одно применение, где всегда предпочтительнее линейный блок питания — это лабораторные источники.
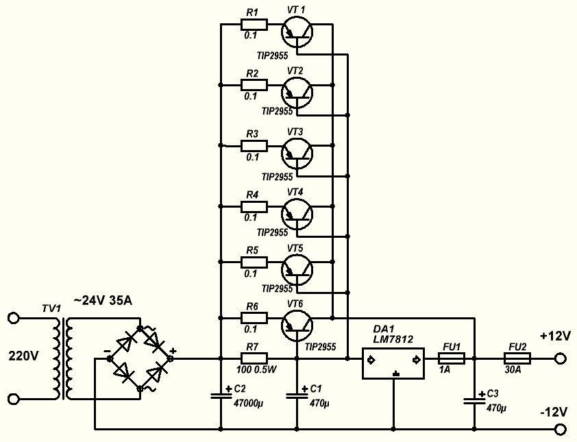
блок питания, о котором пойдет речь в этой статье обеспечивает максимальный выходной ток около 35 ампер при стабилизированном напряжении +12 вольт. Этот БП разрабатывался для проверки схем мощных автомобильных усилителей звуковой частоты. Кроме того, используя эту схемотехнику, можно создать блок питания на другое напряжение или на другой максимальный ток. Например, если вам не требуется мощность 400 Вт, можно уменьшить количество мощных транзисторов.

Поскольку у нас линейный стабилизатор напряжения, за высокую выходную мощность придется неизбежно заплатить габаритами устройства. Самая большая и дорогая деталь такого блока питания — это силовой трансформатор. В данной схеме силовой трансформатор должен обеспечивать на вторичной обмотке напряжение около 24 вольт при токе 35 ампер.
Диодный мостик тоже должен быть рассчитан на нужный нам ток. Вторая крупногабаритная деталь — это сглаживающий конденсатор C2. Емкость конденсатора 47000 мкФ при рабочем напряжении не ниже 30 вольт. Остальные электролитические конденсаторы схемы могут иметь рабочее напряжение не ниже 16 вольт.

Основа схемы — интегральный стабилизатор LM7812. Такой регулятор может обеспечить постоянное напряжение 12 вольт при токе до 1 ампера.

Интегральный стабилизатор напряжения LM7812
Чтобы увеличить максимальный выходной ток в 35 раз мы используем усилитель тока на транзисторах VT1..VT6 типа TIP2955. Эти транзисторы включаются параллельно. Проволочные резисторы сопротивлением 0.1 OM в базовых цепях транзисторов нужны для выравнивания токов через мощные транзисторы.

В качестве мощных резисторов можно применить керамические сопротивления с Алиэкспрсс:

Керамические мощные резисторы с Алиэкспресс

Конденсаторы большой емкости купить можно здесь…
При отсутствии конденсатора емкостью 47000 мкФ его можно составить из нескольких конденсаторов меньшей емкости. В крайнем случае емкость конденсатора можно уменьшать. Блок будет работать, но возрастут пульсации напряжения при токах нагрузки, близких к максимальным.
Вообще, емкость этого конденсатора зависит от максимального тока нагрузки. Если вы делаете блок питания на максимальный ток, скажем, не 35 а 10 ампер, то можно оставить 3 мощных транзистора и использовать конденсатор C1 емкостью 10 — 15 тысяч микрофарад.
Микросхему стабилизатора и мощные транзисторы необходимо установить на радиатор для их охлаждения. Поскольку коллекторы транзисторов соединяются вместе, все транзисторы можно установить на общий радиатор без изолирующих прокладок. Микросхему стабилизатора лучше снабдить отдельным небольшим радиатором.
Для уменьшения размеров радиатора можно использовать активное охлаждение вентилятором. например можно использовать вентилятор от компьютерного процессора и небольшую схему регулировки его скорости вращения в зависимости от температуры. Тогда вентилятор будет включаться только при большой нагрузке, то есть только тогда, когда он нужен.
