Микросхема FT2232C — это интерфейс USB, который соединяет в себе функциональность двух микросхем FTDI второго поколения ВМ в одном устройстве. Нижний ведомый USB порт конвертируется в два канала, каждый из которых может быть индивидуально настроен как интерфейс UART типа FT232В или как интерфейс FIFO типа FT245BM, без необходимости добавления USB хаба. Есть также несколько новых специальных режимов, каждый из которых может работать со внешней EEPROM или используя команды драйвера. Это — синхронный режим Bit-Bang, режим FIFO, интерфейс MPSSE, режим эмуляции MCU Host шины, а также интерфейс со скоростными оптоизоляторами. К тому же, наличие новых опций высокого уровня запуска означает, что контакты устройства UART / FIFO IO будут работать в три раза быстрее нормального уровня, и канал может быть использован несколькими устройствами. Классический тип ВМ асинхронного режима Bit-Bang также поддерживается, кроме того, он усовершенствован для предоставления пользователю доступа к внутренним стробам устройства RD# и WR#. FTDI предоставляет бесплатные драйверы Виртуального COM порта и D2XX прямого доступа

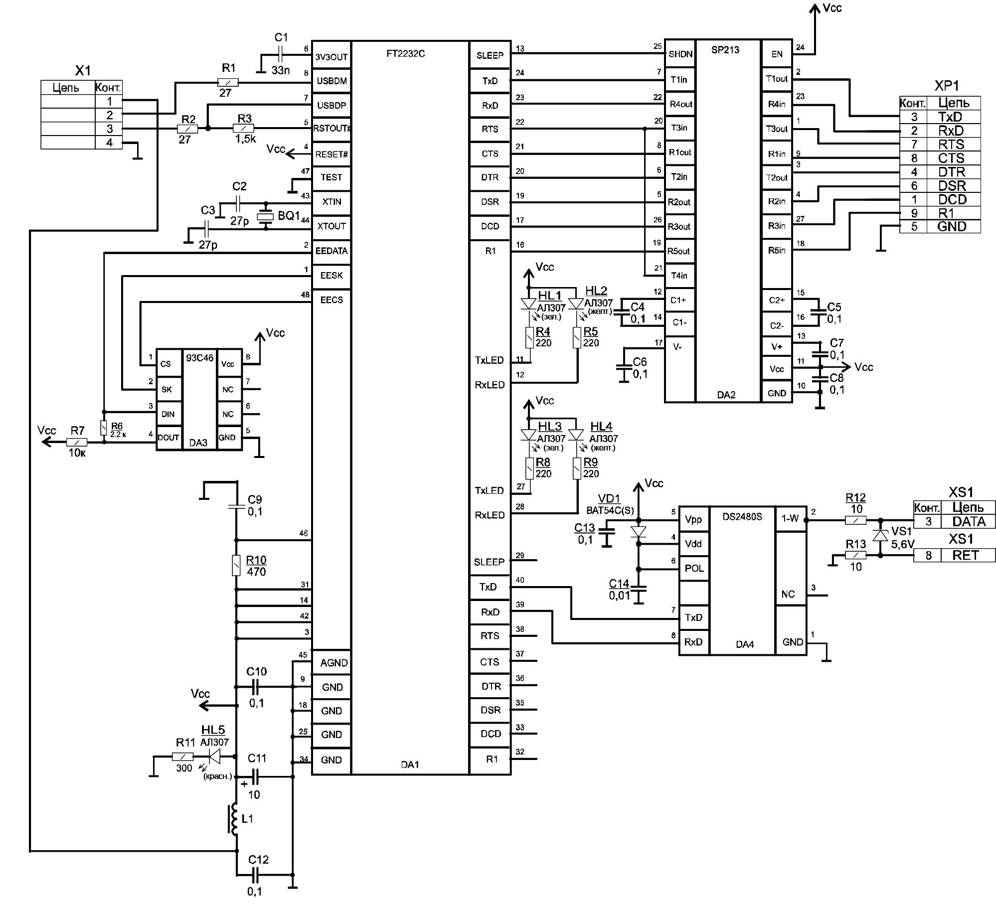
Схема Комбинированного адаптера RS-232 и 1-Wire на USB на FT2232C. кликните чтобы увеличить

