Gibson GA-3RV Preamp


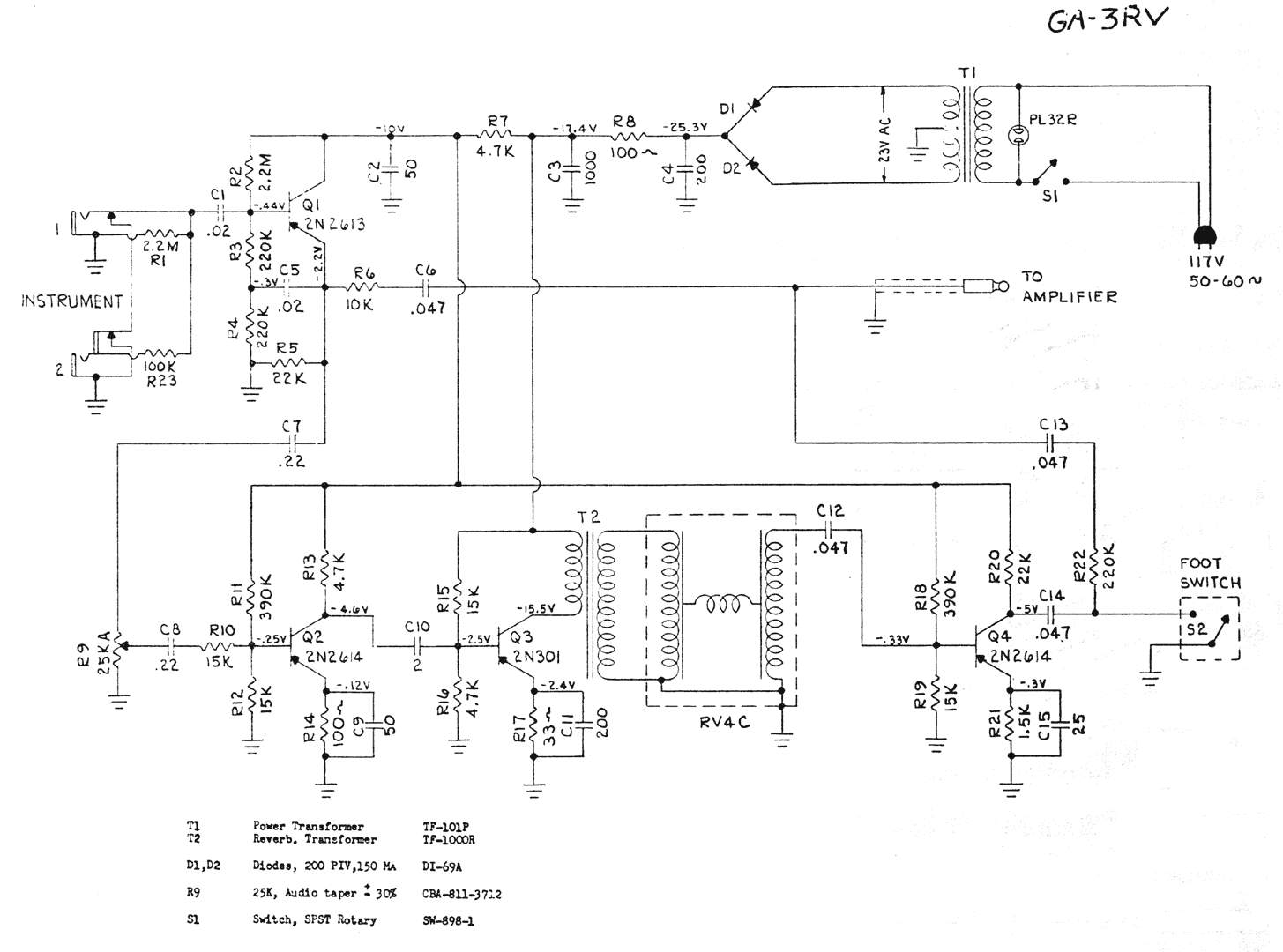
Принципиальная схема гитарного преампа Gibson GA-3RV Preamp

Принципиальная схема гитарного преампа Gibson GA-3RV Preamp


Добавить комментарий