Б. БАЛАЕВ, г. Нальчик, Кабардино-Балкария (журнал Радио №6 2017г)
Несмотря на обилие в продаже паяльников и паяльных станций с регулировкой температуры жала многие все ещё предпочитают пользоваться паяльниками старого типа отечественного производства. Они незаменимы и для пайки массивных деталей, поскольку современные паяльники мощностью 60… 100 Вт — большая редкость. К тому же во многих местностях сетевое напряжение очень нестабильно, как правило, занижено. А простой регулятор мощности только понижает подаваемое на паяльник напряжение, а значит, и мощность. В статье описан несложный микроконтроллерный регулятор-стабилизатор для обычного сетевого паяльника, способный не только регулировать, но и поддерживать мощность его нагревания неизменной даже при пониженном напряжении в сети.
Современные паяльники, наряду с несомненными достоинствами имеют ряд существенных недостатков хрупкость, недостаточную надёжность высокую цену, а нередко и низкую точ ность регулирования температуры. Нс сегодня всё ещё немало тех, что поль зуются старыми добротными паяльни ками с медным жалом. Им тоже нередкс требуется регулировать мощность v температуру.
Я разработал и предлагаю повторить читателям устройство для питания стандартного паяльника, предназначенного для работы от сети -230 В. Оно не превращает простой паяльник в полноценную паяльную станцию, но значительно повышает удобство пользования им. Обеспечивается плавная регулировка напряжения питания паяльника с цифровой индикацией напряжения или мощности. Для управления достаточно двух имеющихся в устройстве кнопок. Устройство работает как при пониженном, так и повышенном напряжении в сети, поддерживает установленный режим работы паяльника при изменении этого напряжения в широких пределах.

Предусмотрен форсированный начальный разогрев паяльника с возможностью регулирования длительности и напряжения этого процесса. При отсутствии в течение установленного времени нажатий на управляющие кнопки происходит автовыключение паяльника. Имеется защита от разного рода аварийных ситуаций и выхода сетевого напряжения и тока нагревателя паяльника за допустимые пределы. Предусмотрен режим калибровки имеющихся в устройстве измерителей тока и напряжения.
Устройство имеет небольшие габариты и массу, оно собрано в корпусе че-тырёхрозеточного сетевого удлинителя.
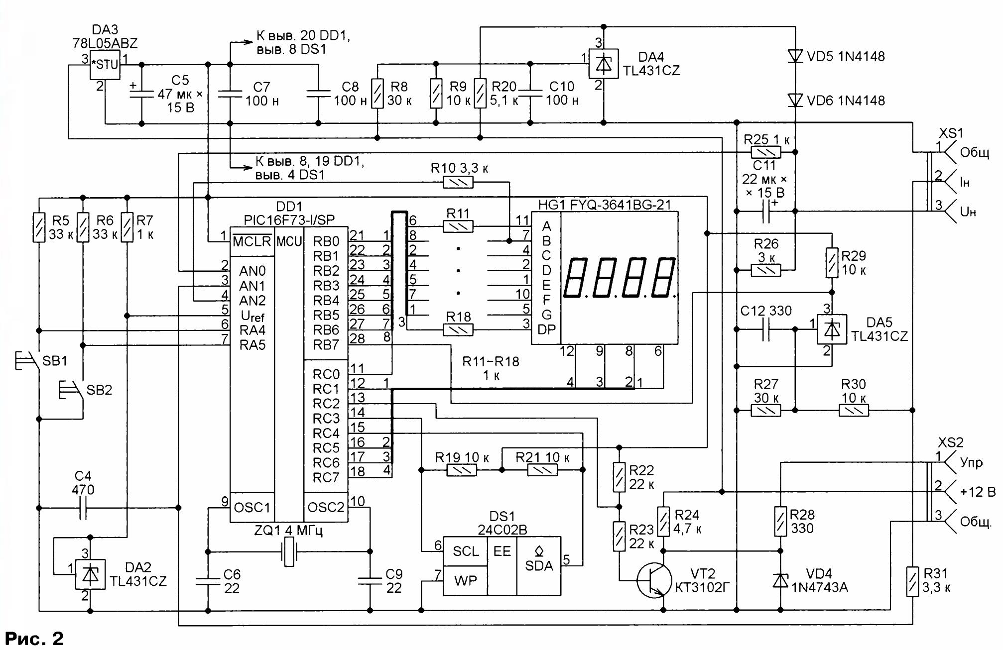
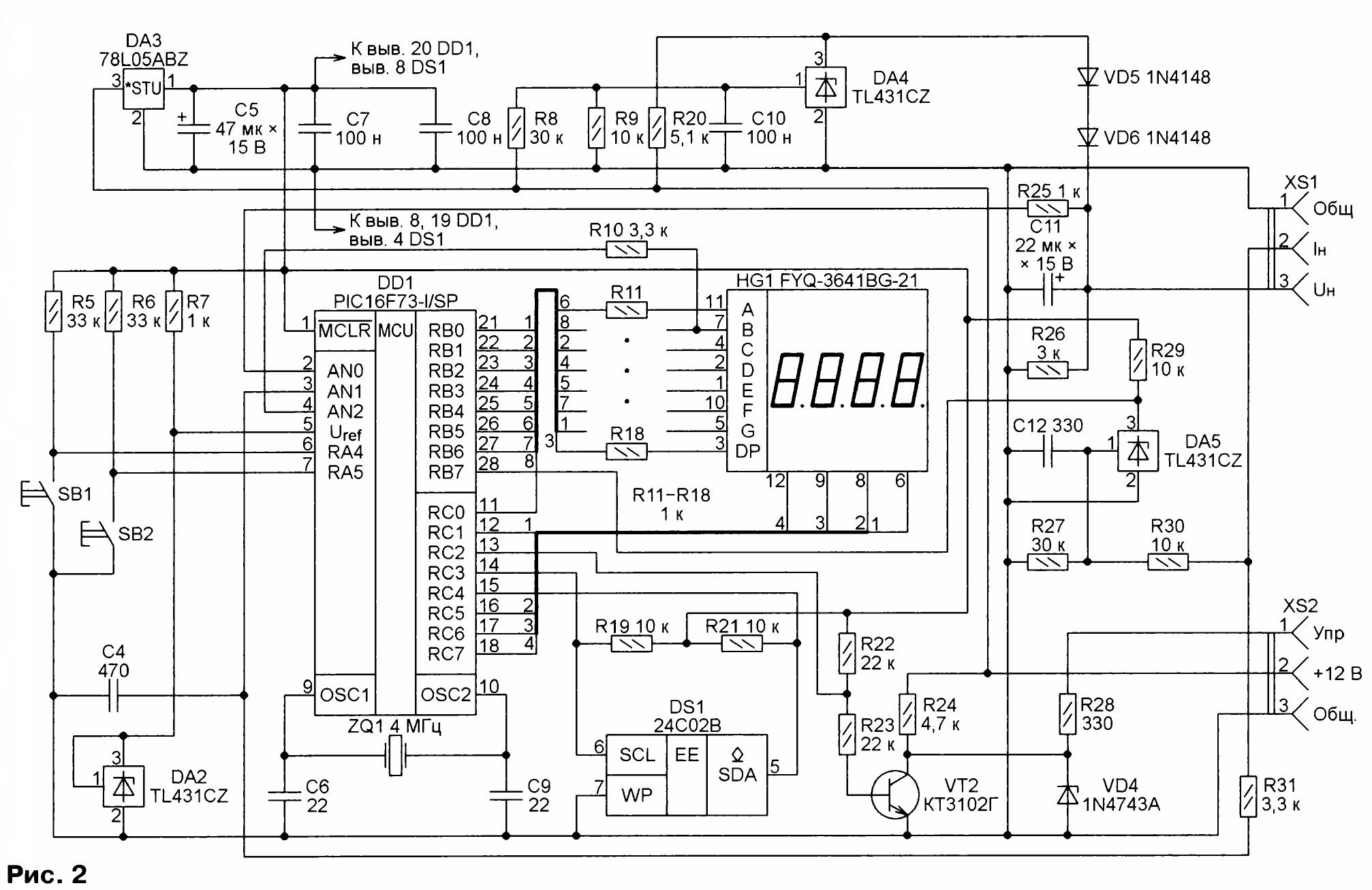
Стабилизатор состоит из блока питания и регулирования напряжения на паяльнике (принципиальная схема — на рис. 1) и блока управления (его принципиальная схема изображена на рис. 2). Нумерация элементов на этих схемах — сквозная. Разъёмы XS1 и XS2 блока управления соединяют соответственно с разъёмами ХР1 и ХР2 блока питания. Сетевое напряжение ~230 В, 50 Гц поступает на колодку с винтовыми зажимами XT 1. Розетку для подключения паяльника соединяют с аналогичной колодкой ХТ2
Сетевое напряжение, выпрямленное диодным мостом VD1 и сглаженное конденсатором С1, поступает на паяльник через ключ на полевом транзисторе VT1. На затвор этого транзистора приходят из блока управления прямоугольные импульсы с переменным коэффициентом заполнения. Изменяя этот коэффициент, можно регулировать эффективное значение напряжения на паяльнике, а следовательно, и его мощность. Стабилитрон VD3 ограничивает амплитуду импульсов между затвором и истоком транзистора, предохраняя его от пробоя. Терморезистор RK1 (MF72-5D11) уменьшает бросок зарядного тока конденсатора С1 в момент подключения прибора к сети.

Основные технические характеристики
Напряжение питающей сети, В 150…250
Стабилизированное напряжение на паяльнике, Вэфф 50…250
Максимальная мощность паяльника, Вт 99
Способ регулирования напряжения на паяльнике ШИМ
Частота напряжения на паяльнике, Гц 240
Напряжение форсированного разогрева, В 150…250
Длительность форсированного разогрева, с 0…250
Длительность работы до автоотключения, ч 0,5…9,5
Точность поддержания выходного напряжения, %, не хуже:
с микроконтроллером PIC16F73 ±3
с микроконтроллером PIC16F873A ±2
Время срабатывания защиты от замыкания в нагрузке, мкс, не более 200
В цепь истока транзистора VT1 включён датчик тока — резистор R1. Падение напряжения на нём микроконтроллер DD1 использует для измерения тока через паяльник, для чего оно поступает через фильтр R31С4 на вход AN 1 микроконтроллера. Оно же поступает в узел токовой защиты, собранный на параллельном интегральном стабилизаторе напряжения DA5.

Узел питания прибора собран по классической схеме. Его низковольтная часть состоит из понижающего трансформатора Т1, диодного моста VD2, конденсаторов С2 и СЗ, интегрального стабилизатора напряжения +12 В DA1. Напряжение около +300 В для цепи питания паяльника получено, как сказано выше, непосредственным выпрямлением сетевого напряжения диодным мостом VD1 и его сглаживанием конденсатором С1. Микроконтроллер DD1 и микросхема энергонезависимой памяти DS1 питаются напряжением +5 В, полученным с помощью интегрального стабилизатора DA3.
Микроконтроллер PIC16F73-I/SP выбран для этого прибора благодаря его дешевизне и доступности при достаточном числе линий ввода-вывода и широким функциональным возможностям. Можно отметить два его недостатка: отсутствие энергонезависимой памяти данных и лишь восьмиразрядный АЦП. Первый недостаток преодолён использованием дополнительной микросхемы энергонезависимой памяти DS1 24С02В. Прибор может работать и без неё, но тогда при каждом его включении начальными значениями всех параметров будут те, что записаны в программе. Что же касается разрядности АЦП, то для описываемого прибора её вполне достаточно.
Впрочем, микроконтроллер PIC16F73-I/SP можно без изменений в схеме и печатной плате заменить на PIC16F873A-I/SP, лишённый этих недостатков. При этом параметры прибора даже немногоулучшатся. К статье приложен вариант программы и для этого микроконтроллера.
Требуемое напряжение на паяльнике устанавливают с помощью кнопок SB1 и SB2. Программа вычисляет необходимый для его получения коэффициент

заполнения управляющих импульсов, которые генерирует таймер микроконтроллера с помощью модуля ССР, работающего в режиме PWM. Транзистор VT2 увеличивает амплитуду этих импульсов до 12 В. Их низкая частота (240 Гц) позволила обойтись без специального усилителя (драйвера) для быстрой перезарядки входной ёмкости транзистора VT1. Цепь R28VD4 защищает транзистор VT2 от повреждения в случае пробоя транзистора VT1.
Постоянное напряжение, приблизительно равное амплитуде переменного сетевого, подано через делитель напряжения R2R3R26 и защитный резистор R25 на вход AN0 микроконтроллера. Верхнее плечо делителя составлено из двух резисторов, чтобы не превысить допустимое падение напряжения на каждом из них. Конденсатор С11 дополнительно сглаживает пульсации измеряемого напряжения.
Кварцевый резонатор ZQ1 и конденсаторы С6, С9 образуют частотозадающую цепь тактового генератора микроконтроллера. Параллельный стабилизатор напряжения DA2 вместе с резистором R7 задаёт образцовое напряжение для АЦП микроконтроллера.
Четырёхразрядный семиэлементный светодиодный индикатор HG1 подключён к микроконтроллеру разрядными выводами непосредственно, а выводами элементов — через резисторы R11 —R18. Порядок соединения выводов элементов с выходами микроконтроллера выбран исходя из удобства трассировки проводников на печатной плате.
В начале своей работы программа определяет тип индикатора (с общими анодами или с общими катодами). Для этого на вывод элементов В индикатора она подаёт через резистор R12 напряжение высокого логического уровня, а на один из выводов разрядов — низкого уровня. Затем программа, измерив через резистор R10 напряжение на выводе элементов В индикатора, делает заключение о полярности подключения светодиодов к выводам индикатора и на этом основании выбирает полярность управляющих индикатором импульсов. Индикация — динамическая, по прерываниям от таймера TMR0 с интервалом 4 мс.

Внешняя EEPROM 24С02В (DS1) подключена к выводам RC3 и RC4 микроконтроллера, посредством которых организована шина 12С. Резисторы R19 и R21 — нагрузочные для линий шины. Они должны быть установлены даже при отсутствии микросхемы DS1, иначе программа «зависнет».
В дополнение к программному контролю превышения предельных значений напряжения и тока устройство имеет ещё и аппаратные узлы защиты от аварийных ситуаций. Они собраны на параллельных стабилизаторах напряжения TL431CZ (DA4, DA5), используемых как компараторы напряжения.
На стабилизаторе DA5 и элементах С12, R27, R29, R30 собран быстродействующий узел защиты от замыкания в нагрузке. При превышении током паяльника максимального значения более чем на 30 % высокий логический уровень на входе RB7 микроконтроллера сменяется низким. Этот вход генерирует запрос прерывания по изменению уровня, реагируя на который, устройство менее чем за 200 мкс перейдёт в режим защиты. Благодаря этому и ограничению резистором R1 тока истока транзистора VT1 до 2…2,5 А, этот транзистор с большой вероятностью сохранит работоспособность.
Печатные платы устройства выполнены из стеклотекстолита толщиной 1,5 мм с односторонним фольгирова-нием. На рис. 3 изображён чертёж платы питания и регулирования и расположение на ней всех деталей, имеющихся на схеме рис. 1. Внешний вид одной из первых версий этой платы показан на рис. 4. Вторая плата содержит все детали согласно схеме, показанной на рис. 2. Её чертёж и внешний вид — соответственно на рис. 5 и рис. 6.

Резисторы R1—R4, R8, R9, R20, R24—R31 — МЛТ или им подобные указанной на схемах мощности. Остальные резисторы и конденсаторы (кроме оксидных С1—СЗ, С5, С11) — типоразмера 0802 для поверхностного монтажа. Для микросхем DD1 и DS1 предусмотрены панели.

Микросхему 24С02В можно заменить на более ёмкие 24С04 либо 24С08. Все они могут быть с различными индексами, но в корпусе PDIP-8, иначе печатную плату придётся переделывать. Контактные площадки под выводы 1—3 микросхемы DS1 на плате соединены с общим проводом. Это позволит микроконтроллеру правильно обращаться к тем микросхемам, у которых эти выводы служат адресными (у 24С02В они не задействованы). При использовании микроконтроллера PIC16F873A микросхему DS1 и резисторы R19, R21 устанавливать на плату не требуется.
Кнопки — тактовые с высотой толкателя 13 мм. Транзистор VT1 снабжён небольшим теплоотводом из медной или алюминиевой пластины размерами 12×40 мм и толщиной 1 мм, согнутой буквой П. В этой позиции можно применить транзистор IRF740, но у него ниже допустимое напряженибые маломощные на напряжение 12… 15 В. Транзистор КТ3102Г можно заменить любым той же серии, а диоды 1N4148- отечественными серий
КД521, КД522. Резисторы R8 и R9 обязательно должны быть с допустимым отклонением от номинала не хуже ±1 %. Микросхемы серии TL431 должны быть в корпусе Т092, но если их индексы отличаются от указанных на схеме, следует обратить внимание на указанное в справочных данных допустимое отклонение порогового напряжения от номинала. Зачастую оно хуже, чем у TL431CZ.
Терморезистор RK1 в крайнем случае можно заменить обычным резистором сопротивлением 3 Ом и мощностью 5 Вт, а диодные мосты VD1 и VD2 собрать из диодов 1N4007. Трансформатор Т1 при входном напряжении 230 В должен выдавать под нагрузкой 35 мА напряжение 15…16 В. Неплохо подходит трансформатор от блока питания телевизионной антенны с усилителем, называемой в народе ’’сетка».
Разъёмы ХР1 и ХР2 — PLS-3 или аналогичные с шагом контактов 2,54 мм. XS1 и XS2 — кабельные розетки BLS-3, соединённые с печатной платой блока управления отрезками трёхпроводногоплоского кабеля. Можно использовать и другие подходящие разъёмы. Провода от сетевой вилки и от розетки для паяльника подключают к винтовым контактным колодкам ХТ1 и ХТ2.
Поскольку все детали устройства гальванически связаны с сетью -230 В, оно должно быть помещено в корпус из изоляционного материала. Я использовал корпус сетевого удлинителя на четыре розетки. В нём оставлена одна розетка, остальное место использовано для размещения печатных плат, как показано на рис. 7. Мешающие части корпуса вырезаны лобзиком, а образовавшийся сверху вырез закрыт декоративной пластиной из пластмассы с отверстиями для кнопок и окном для индикатора. Особенно следует проследить, чтобы под напряжением не оказались металлические элементы крепления, доступные снаружи корпуса.
Собранное без ошибок и с точным соблюдением номиналов деталей устройство не требует налаживания и начинает работать сразу. Необходима лишь его калибровка, которая будет описана ниже.
Программа для микроконтроллера написана на языке С в среде MikroC. К статье приложены её варианты для обоих упомянутых ранее микроконтроллеров. После подключения устройства к сети первой выполняется процедура автоматического определения типа индикатора, далее программа читает информацию, хранящуюся в EEPROM DS1. Затем она на секунду выводит на индикатор букву U. В это время выходное напряжение плавно нарастает до значения,считанного из EEPROM. Оно больше номинального для паяльника, что обеспечивает его форсированный

разогрев длительностью от 30 с до 4 мин. И напряжение, и продолжительность его действия можно изменять, сохраняя при этом новые значения в EEPROM. О форсированном разогреве сигнализирует мигание всех знаков на индикаторе, на который в это время выводится текущее значение напряжения или мощности (в зависимости от режима, действовавшего перед выключением устройства). Разогрев можно прервать до его программного завершения, нажав на любую кнопку.
По завершении разогрева мигание индикатора прекращается, что свидетельствует о переходе в основной рабочий режим. Как и ранее, индикатор показывает выходное напряжение или мощность. При коротком нажатии одновременно на обе кнопки на индикатор будет выведена надпись и. _ Р с мигающей буквой U или Р в зависимости от текущего режима. Нажатием на кнопки можно менять режим. По истечении 8 с без нажатия кнопок либо при коротком нажатии на обе кнопки одновременно прибор перейдёт в основной режим с индикацией напряжения или мощности, в зависимости от сделанного выбора. Признак режима сохраняется в EEPROM, и при следующем включении прибор продолжит работать в этом режиме.
Напряжение выводится на индикатор с округлением до 1 В, а мощность — до 0,1 Вт. Мощность программа вычисляет исходя из измеренного напряжения, приложенного к паяльнику, и текущего через него тока. В рабочем режиме каждое нажатие на кнопку SB1 уменьшает напряжение на паяльнике на 1 В, а нажатие на кнопку SB2 на столько же увеличивает его. При индикации мощности её значение на индикаторе изменяется в соответствии с приращением напряжения. При удержании кнопки нажатой более 3 с напряжение изменяется через каждые 2 с. Такой характер воздействия кнопок на выведенное на индикатор значение сохраняется во всех режимах работы прибора.
По достижении напряжением минимального (50 В) или максимального (250 В) значения далее оно не изменяется, мигает буква U или R При очень низком сетевом напряжении достичь требуемого напряжения на паяльнике иногда не удаётся. В этом случае на индикаторе начинает мигать буква U или Р, сигнализируя, что достигнуто максимально возможное значение. После отпускания кнопки индикатор перестаёт мигать и показывает это значение.
Напряжение не растёт при нажатии соответствующей кнопки и в том случае, если достигнута предельная мощность — 99 Вт. Это может происходить при работе с паяльником большой номинальной мощности
При любых изменениях сетевого напряжения прибор регулирует напряжение, приложенное к паяльнику таким образом, что оно остаётся равным установленному. Следовательно, стабилизируется и мощность его нагревания.
Если удерживать обе кнопки нажатыми в течение 4 с, устройство переходит в режим установки параметров. При нажатиях на кнопки на индикаторе по кольцу сменяются надписи, обозначающие режимы изменения следующих параметров (в скобках указаны их предельные значения):

— напряжения форсированного старта (от 150 до 250 В);

— длительности форсированного старта (от 30 до 250 с);

— времени до выключения паяльника при отсутствии нажатий на кнопки (от 0,5 до 9,5 ч);

— режим калибровки измерителей напряжения и тока.
В выбранный режим можно перейти коротким нажатием на обе кнопки. Во время установки параметра на индикаторе мигает крайний левый знак. Выходят из этого режима коротким нажатием на обе кнопки или автоматически через 8 с отсутствия нажатий.
Автоматическое выключение паяльника по истечении заданного времени предусмотрено для обеспечения пожарной безопасности. После него на индикаторе мигает надпись 01-F, а на паяльник не поступает напряжение. При нажатии на любую кнопку прибор возвращается в обычный режим работы с прежними параметрами.
В режиме калибровки на индикатор выводится, _прежде всего, мигающая надпись сoFF, что означает необходимость извлечения вилки паяльника из розетки устройства. Сделав это, подключите к розетке вместо паяльника образцовый вольтметр постоянного тока с пределом измерения не менее 300 В. Программа сама определит, что паяльник отключён, и выведет на розетку напряжение с конденсатора С1, а на индикаторе покажет измеренное значение этого напряжения. Нажимая на кнопки, добейтесь его равенства показанию образцового вольтметра, после чего коротким одновременным нажатием на обе кнопки запишите в EEPROM результат калибровки.
После этого на индикатор будет выведена мигающая надпись с.on, что означает необходимость подключить к розетке паяльник. Если сделать это до появления этой надписи, то прибор перейдёт в рабочий режим со старым значением калибровочного коэффициента.
Паяльник нужно подключать холодным, предварительно точно измерив сопротивление его нагревателя. На индикатор будет выведено измеренное программой значение этого сопротивления. Поскольку в процессе измерения напряжение на паяльник подаётся короткими редкими импульсами, нагреватель остаётся холодным, особенно у паяльника большой мощности, с которым калибровка получается более точной.
Подключив паяльник, следует с помощью кнопок установить на индикаторе значение, наиболее близкое к ранее измеренному, а затем сохранить результат калибровки одновременным коротким нажатием на обе кнопки. Сменив паяльник, повторять калибровку нет необходимости.
При каждом включении устройства в сеть программа микроконтроллера прибора считывает из EEPROM в оперативную память длительность форсированного старта, его напряжение, калибровочные константы, признак режима индикации и напряжение, подаваемое на паяльник перед выключением прибора. Следует иметь в виду, что это напряжение программа записывает только спустя десять минут после его изменения. Сделано это для того, чтобы не запоминать его кратковременные изменения для проведения работ небольшого объёма, требующих особого режима пайки. При самом первом включении либо при неисправности микросхемы DS1 будут установлены значения параметров по умолчанию, заданные в программе.
В устройстве предусмотрена защита от перегрузки как по току, так и по напряжению. При срабатывании защиты регулятор немедленно выключает паяльник и выводит на индикатор мигающее сообщение о причине этого: / .out — аномальный ток паяльника, либо и_/ п — аномальное сетевое напряжение. Вывести устройство из этого состояния можно лишь его отключением от сети.
В заключение следует отметить, что питание паяльника импульсами с крутыми фронтами, тем более частотой 240 Гц, увеличивает вероятность повреждения паяемых деталей наводками от сети через ёмкость между корпусом и нагревателем паяльника, из-за чего очень желательно заземление его корпуса. Впрочем, это утверждение справедливо для всех импульсных регуляторов, в том числе тиристорных.
Скачать прошивку и её исходники

