Иногда в нашей практике бывает необходим довольно мощный нестабилизированный источник постоянного напряжения. От такого источника можно запитать например подогреваемый столик 3D принтера, батарейный шуруповерт или даже мощный усилитель НЧ класса D (в этом случае ИБП стоит оборудовать дополнительным фильтром для уменьшения высокочастотных помех). В случае изготовления источника питания, рассчитанного на мощности 200 — 500 вт дешевле пойти по пути изготовления импульсного источника, так как сетевой трансформатор 50 Гц на такую мощность будет довольно дорог и очень тяжел.
Проще всего такой источник питания собрать по полумостовой схеме на основе драйвера IR2153. Эта микросхема обычно используется в качественных драйверах (электронных балластах) люминесцентных ламп.

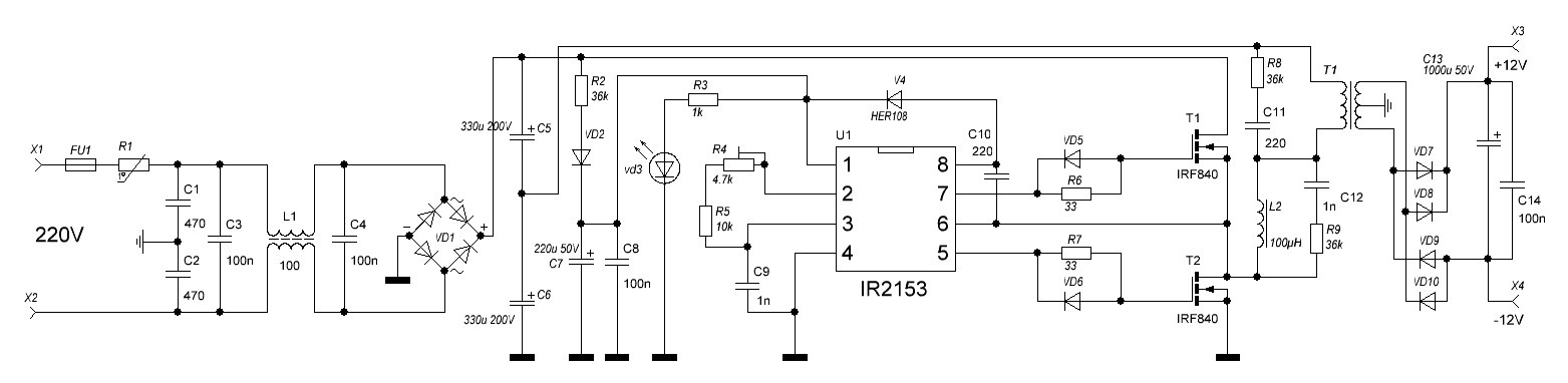
Принципиальная схема импульсного блока питания на IR2153
Сетевое напряжение 220В поступает на выпрямитель (диодный мост) через сетевой фильтр на элементах C1, C2, C3, C4, L1. Этот фильтр предотвращает проникновение высокочастотных помех от блока питания в электросеть. Термистор на входе устройства уменьшает бросок тока через диодный мост в момент включения блока питания в сеть, когда происходит заряд конденсаторов C5 и C6.
Катушку сетевого фильтра L1, термистор и конденсаторы C5 и C6 можно извлечь из старого компьютерного блока питания. импульсный силовой трансформатор Т1 придется намотать самостоятельно. Сердечник трансформатора берем также из старого компьютерного блока. Нужно разобрать трансформатор. Для этот помещаем трансформатор в емкость с водой (банку, кастрюльку) так, чтобы он был полностью погружен в жидкость. Ставим ескость на плиту и кипятим примерно полчаса. После этого сливаем воду, извлекаем трансформатор и пока он горячий, пытаемся аккуратно разобрать сердечник. Сматываем с каркаса все заводские обмотки и наматываем новые. Первичная обмотка содержит 40 витков провода диаметром 0.8мм. Вторичная обмотка содержит 2 части по 3 витка и намотана «косой» из 7 проводов того же провода диаметром 0.8мм.

Импульсный трансформатор от компьютерного блока питания
Резистор R2 в цепи питания микросхемы должен быть мощностью не менее 2 W и в процессе работы он будет слегка нагреваться. Это нормально. Диодный мост выпрямителя сетевого напряжения можно составить из четырех диодов 1N5408 (3А 1000В). Транзисторы IRF840 нужно установить на радиатор через изолирующие прокладки. желательно установить в корпусе блока питания небольшой вентилятор для охлаждения этих транзисторов и других элементов схемы.
Первое включение блока питания в сеть нужно производить через лампу накаливания мощностью 100вт, включенную последовательно с предохранителем FU1. В момент включения в сель лампа может вспыхнуть, затем она должна погаснуть. Если лампа светится постоянно, это означает что с блоком проблемы — короткое замыкание в монтаже или неисправность компонентом. В этом случае включать блок в сеть напрямую без лампы накаливания нельзя. Нужно найти причину неисправности.

Доброго времени.
Я не профессор в электронике, но возможно в схему закралась неточность? Диод V4 наверняка надо перевернуть или…?