Компанией Microchip выпускаются удобный и недорогой универсальный программатор микроконтроллеров Microchip PicKit2 (PicKit3). Программатор подключается к компьютеру через интерфейс USB и позволяет прошивать большинство микроконтроллеров PIC. Кроме того, программатор способен работать в режиме отладчика. PicKit2 поддерживается напрямую всеми компиляторами и системами разработки от Microchip. Также программирование чипов можно производить с помощью небольшой одноименной утилиты от Microchip. Список поддерживаемых устройств можно посмотреть по этой ссылке.

К сожалению программатор PicKit2 больше не производится компанией Micrichip. На смену ему компания выпускает новую версию – PicKit3. Тем не менее, PicKit2 остается удобным и дешевым программатором. Вряд ли вы теперь купите настоящий фирменный PicKit2, но благодаря тому, что фирменная схема и прошивка устройства опубликована компанией Microchip и находится в широком доступе, каждый может собрать себе недорогой клон этого программатора, уоторый будет работать точно также, как и фирменное устройство.
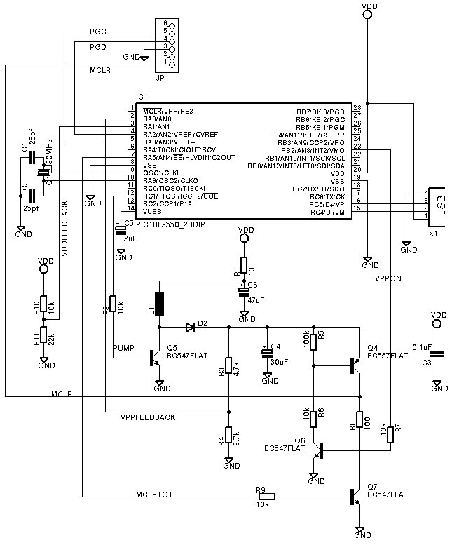
Сущетвует множество вариантов схем клонов PIcKit2. Все эти схемы одинаковы по принципу работы и отличаются вариантами элементов обвязки микроконтроллера. Я публикую в этой статье наверно самый минималистичный и недорогой вариант. Все клоны, как и фирменный программатор, собраны на микроконтроллере PIC18F2550 (даташит). Это – самая дорогостоящая деталь программатора. Кроме микроконтроллера потребуется еще четыре распространенных транзистора и несколько других деталей.
Что было исключено:
- Светодиоды. Считаю их довольно бесполезными
- Микросхемы EEPROM. Они даже не используются прошивкой программатора.
- Цепь питания Vdd. В свяхи с этим данный клон не может предоставлять питание схеме программируемого устройства. Теоретически, это может вызвать проблемы для более старых устройств вроде 16F628 или 16F877A но на практике всё работает.
- Кнопка

Схема клона программатора Microchip PicKit2
Катушка L1 любой конструкции индуктивностью 680 uH. Я использовал неизвестного типа катушку, выпаянную из компьютерного блока питания. Резистор R1 сопротивлением 10 ом ограничивает максимальный зарядный ток, потребляемый конденсатором C6 от порта USB в момент подключения. Конденсатор C4 должен быть рассчитан на напряжение не менее 25 вольт.

Некоторые элементы схемы не видны на фото, так как я использовал SMD резисторы, и они распаяны с обратной стороны платы.
Поскольку схема очень простая, я не проектировал для нее PCB, всё распаяно на макетной плате.


Полоски светло-голубого цвета – это прорези в токопроводящих дорожках, которые я сделал Дремелем. Есть один проблемный момент – для того чтобы сделать программатор микроконтроллеров вам нужен… программатор микроконтроллеров для того, чтобы Прошить PIC18F2550.
Скачать программу Microchip PicKit2 V2.61
Скачать прошивку микроконтроллера PIC18F2550

Купить микросхему PIC18F2550 в Китае

Купить транзисторы BC547 и BC557

