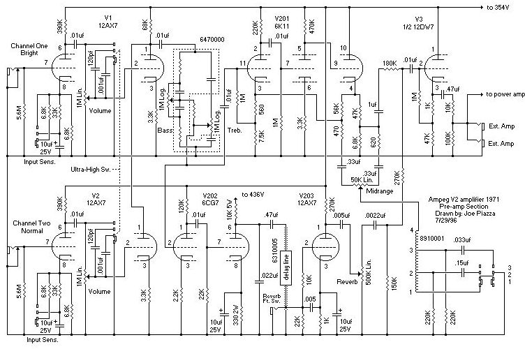
Все статьи блогаГитарная электроникаГитарные эффектыЛамповые СхемыМузыкальная электроникаAmpeg V2 Preamp 1971 Принципиальная схема гитарного преампа Ampeg V2 Preamp (модель 1971 года).