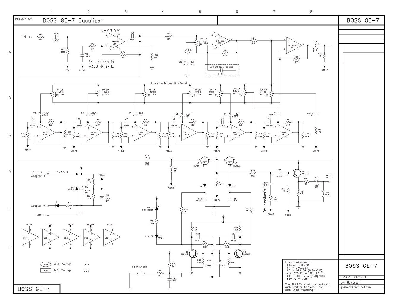
BOSS Equalizer GE-7 — это педаль эффектов Эквалайзер для гитары. Эквалайзер — это многополосный регулятор тембра, позволяющий в широких пределах настраивать тембр звучания музыкального инструмента. Эквалайзер BOSS Equalizer GE-7 обеспечивает регулировку тембра электрогитары в шести частотных полосах

