Это автоматическое зарядное устройство заряжает любые свинцово-кислотные аккумуляторные батареи напряжением 12 вольт, включая обычные, гелевые, AGM (герметизированные необслуживаемые батареи). Процесс заряда полностью автоматизирован. Батарея заряжается током 4 ампера до определённого порога напряжения, после достижения которого устройство переключается в режим с очень низким зарядным током.

Если напряжение на подключенной к устройству батареи снова упадет, схема опять перейдет в режим заряда большим током. Таким образом, аккумулятор может быть постоянно подключен к зарядному устройству для поддержания номинального уровня заряда и предотвращения выхода аккумулятора из строя в результате глубокого разряда. Светодиод начинает светиться когда аккумулятор полностью заряжен.
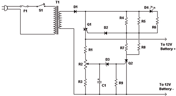
Настройка устройства
Переменным (подстроечным) резистором R2 устанавливаем правильное напряжение заряда. Гелевые и аккумуляторы с жидким электролитом обычно заряжаются до напряжения 13.8 В. Если вы используете AGM (необслуживаемый) аккумулятор, то производители таких батарей рекомендуют напряжение 14.5 — 14.9 В. Настройка производится так: устанавливаем подстроечный резистор в среднее положение, включите зарядное устройство и подключите к нему аккумулятор. В процессе заряда измеряйте вольтметром напряжение на аккумуляторе. Как только напряжение достигнет нужного значения, вращением движка резистора R2 добейтесь свечения светодиода. На этом настройка зарядного устройства закончена. Вы можете также заменить подстроечный резистор R2 потенциометром переменным резистором) и вывести его ручку на переднюю панель устройства. Шкалу ручки потенциометра нужно разметить и тогда можно оперативно менять пороговое напряжение для разных типов аккумуляторов.
Симистор Q1 необходимо установить на радиатор. Если вы собираете устройство в корпусе, то возможно придется установить вентилятор для принудительного охлаждения радиатора транзистора. Вентилятор рассчитанный га питание от постоянного напряжения можно подключить к точке катода диода D1.
Силовой трансформатор Т1 — это трансформатор с первичной обмоткой, рассчитанной на напряжение в сети вашего региона (220, 120 и т.д.). На вторичной обмотке должно быть напряжение в районе 12 вольт. Если использовать вторичную обмотку с напряжением 16 — 18 В, то это позволит вам заряжать 16-вольтовые батареи, которые, впрочем, достаточно редки и используются в гоночной технике. При отключении питания необходимо отключать аккумулятор, иначе он медленно разрядится через выходные цепи схемы.
| Обозначение на схеме | Номинал | Примечания |
| R1, R3 | Резистор 330 Ом 1/4W | |
| R2 | Потенциометр 100 Ohm 1/4W | |
| R4, R5, R7, R8 | 82 Ohm 2W Resistor | |
| R6 | Резистор 100 Ohm 1/4W Resistor | |
| R9 | Резистор 1K 1/4W Resistor | |
| C1 | Электролитический конденсатор 220uF 25V | |
| D1 | Диод P600 | Любой диод 50V 5A (или более) |
| D2 | Диод 1N4004 | Можно 1N4002, 1N4007 |
| D3 | Стабилитрон на 5.6V | |
| D4 | Светодиод любого цвета | |
| Q1 | Симистор BT136 | |
| Q2 | Тиристор BRX49 | |
| T1 | Трансформатор 12V 4A | |
| F1 | Предохранитель на 3A | |
| S1 | Выключательпитания 120VAC 5A |
