Самодельный измеритель ESR с возможностью измерений бьез выпаивания конденсаторов из печатной платы

Что такое ESR?
Эквивалентное последовательное сопротивление (ESR) — это исключительно важный параметр электролитического конденсатора, характеризующий его работоспособность, качество и степень старения. С точки зрения ремонта электронной техники этот параметр даже более важен, чем емкость. Если, например, мы измерили емкость конденсатора номиналом 1000 микрофарад и она оказалась 650 микрофарад, конденсатор еще может долгое время работать в устройстве практически без заметного ухудшения характеристик (это конечно сильно зависит от конкретной схемы), в случае, если его ESR остается в приемлемых рамках. С другой стороны,
если у конденсатора сильно выросло ESR, то во многих схемах, особенно в импульсных блоках питания, такой конденсатор уже не сможет выполнять своих функций даже если у него сохранилась номинальная емкость. Однако на практике такое бывает не часто, так как емкость и ESR — параметры взаимосвязанные и при росте ESR очень часто уменьшается и емкость конденсатора. Обычно ESR возрастает по мере высыхания электролита конденсатора.
В чем же смысл параметра ESR и почему он так важен? SER (Equivalent Series Resistance) или эквивалентное последовательное сопротивление — это паразитное сопротивление, которое можно представить себе как резистор, включенный последовательно с идеальным конденсатором. То есть это дополнительное сопротивление, которое имеет место быть в любом реальном конденсаторе, которое ухудшает качество этого конденсатора. Иными словами — это параметр, который показывает насколько наш конденсатор не идеален. Таким образом, чем больше ESR, тем хуже конденсатор.

Нужно сказать, что допустимое ESR — это параметр не постоянный, он зависит от емкости и рабочего напряжения конденсатора. Поэтому сделать вывод о пригодности конденсатора после измерения его ESR можно с помощью специальной таблицы максимально допустимых значений ESR. Вы можете ее увидеть на фотографии прибора на его лицевой панели. Я распечатал таблицу и приклеил ее на панель прибора:

Как измерить ESR?
Эквивалентное последовательное сопротивление, так же, как и обычное сопротивление, измеряется в Омах. В отличие от обычного омметра, прибор, измеряющий ESR, производит измерения не на постоянном токе, а на переменном токе сравнительно высокой частоты, обычно в районе 100 килогерц. На такой частоте емкость конденсатора практически не оказывает влияния на сопротивление конденсатора, поэтому измеряется именно последовательное эквивалентное сопротивление, а не емкость конденсатора. Фактически это главное и единственное отличие измерителя ESR от простого омметра.
В общем виде метод измерения ESR показан на схеме ниже:

Большинство измерителей работают именно по этому принципу. У нас есть генератор переменного напряжения G, резистор известного сопротивления R и измеряемый конденсатор Cx. Этот резистор совместно с измеряемым конденсатором образуют делитель напряжения. Дальше идет детектор, преобразующий переменное напряжение в постоянное и узел индикации этого постоянного напряжения, пересчитанного в Омы. Это может быть аналоговая или цифровая схема индикации, суть от этого не меняется.
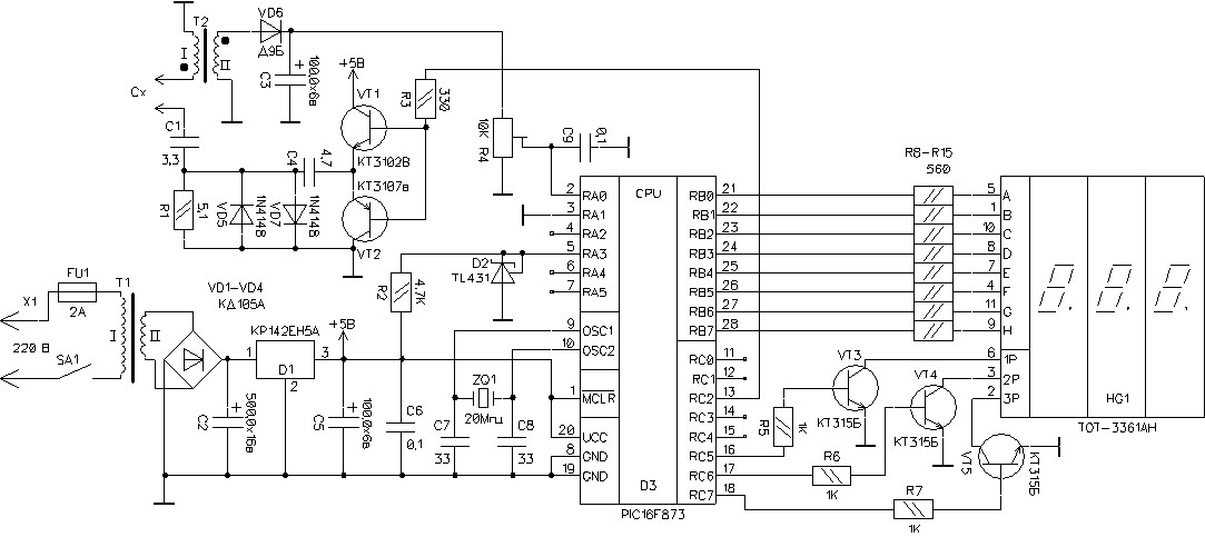
Схема прибора
Описываемый прибор исключительно удобен тем, что может проверять конденсаторы без выпаивания их из схемы и в большинстве случаев это срабатывает. Исключением может быть например если вы хотите проверить конденсатор, параллельно которому включены другие конденсаторы. Такое включение иногда бывает в блоках питания. В таком случае прибор покажет наименьший ESR (то есть ESR лучшего конденсатора).

Схема измерителя ESR (кликните чтобы увеличить)
Прибор собран на основе микроконтроллера PIC16F873. Микроконтроллер измеряет выпрямленное напряжение, пересчитывает его значение в сопротивление в Омах. Кроме того микроконтроллер генерирует переменное напряжение прямоугольной формы частотй 100 кГц, которое используется для проведения измерений.
Для того, чтобы было возможно измерять ESR конденсаторов, не выпаивая их из схемы, измерительное напряжение должно быть достаточно низким, обычно 0,2-0,4 вольта, то есть меньше порога открывания pn — переходов полупроводниковых приборов.
Фактичекски представляет собой цифровой омметр работающий на переменном напряжении частотой 100кГц и позволяющий измерять сопротивления от 0 до 25,5Ом.
Узел формирования образцового напряжения 2.5 В для АЦП контроллера в оригинальной схеме собран на микросхеме TL431. В то время, когда я собирал этот измеритель у меня такой микросхемы не было и я заменил его стабилитроном на 3.3 В и подстроечным резистором на 10 К. Подстроечником я установил на ножке 5 контроллера требуемое напряжение 2.5 В.

Исходный узел на TL431

Я заменил его вот так
Сейчас TL431 — это очень распространенная и дешевая микросхема и проблем с ее приобретением нет. Так что если вы будете использовать мою печатную плату, то установите TL431. Подстроечник в таком случае устанавливать не нужно.
Блок питания собран на сетевом трансформаторе T1, диодном мостике и стабилизаторе напряжения LM7805 (K142ЕН5А). В своей версии прибора я отказался от трансформатора, оставив, тем не менее, диодный мостик на печатной плате. Я использовал малогабаритный импульсный сетевой блок питания (адаптер) на напряжение 12 вольт,

который, благодаря наличию диодного мостика, можно подключать в любой полярности или вообще использовать адаптер с переменным напряжением на выходе (просто трансформатор).
В принципе можно избавиться вообще от блока питания, если использовать пяти-вольтовый адаптер — зарядку от смартфона.
Меандр с частотой 100кГц снимается с ножки RC2 микроконтроллера и через резистор R3 подается на усилитель тока, собранный на транзисторах VT1,VT2. Я использовал КТ3102 и КТ3107. Хорошей идеей здесь будет использовать современные транзисторы BC547 и bc557. Нагрузкой усилителя служит резистор R1 и диоды VD5,VD7, включенные встречно-параллельно для ограничения амплитуды на измеряемом конденсаторе.
Далее переменное напряжение, через конденсатор С1 и измеряемый конденсатор Cx поступает на первичную обмотку повышающего трансформатора Т2. далее импульсы снимаются со вторичной обмотки и выпрямляются диодом VD6, после чего полученное пульсирующее напряжение сглаживается конденсатором С3. Далее сформированное постоянное напряжение через подстроечный резистор R4 поступает на вход аналого-цифрового преобразователя микроконтроллера D3. Конденсатор С9 устраняет возможные высокочастотные помехи.
Информация отображается на трехразрядном семи-сегментном ЖК индикаторе. Транзисторы VT3, VT4, VT5 — ключи коммутации ЖК индикаторов (используется принцип динамической индикации.
Сетевой трансформатор (если вы решите его использовать) со вторичной обмоткой на 9-12 вольт. Повышающий трансформатор Т2 намотан на ферритовом кольце марки М2000НМ и размером К10х6Х3 (можно использовать кольцо других размеров, не сильно отличающихся от указанных. Это не критично). Первичная обмотка намотана проводом диаметром 0,26мм, и состоит из 42 витков. Вторичная обмотка содержит 700витков провода диаметром 0,08мм.
Налаживание устройства. Подключаем к щупам измерителя резистор известного сопротивления в диапазоне 1 .. 5 Ом и подстроечным резистором добиваемся корректных показаний на дисплее. После такой настройки мой прибор при соединенных вместе щупах показывал сопротивление отличное от нуля, поэтому я еще слегка подкорректировал положение движка резистора таким образом чтобы на дисплее были нулевые показания при замкнутых щупах.
Печатная плата устройства когда-то была разведена в программе PCAD2006, а в последствии я импортировал файл платы в программу DIPTRACE.


Прошивка (программа) для микроконтроллера PIC16F873 написана на ассемблере. Архив с прошивкой и чертежом печатной платы вы можете скачать по ссылке а конце этой статьи.
Я разрабатывал печатную плату, когда у меня еще не было в наличии светодиодных 7-сегментных индикаторов, поэтому индикатор я установил на отдельной плате. Эта плата — кусок обычной макетной платы, куда были припаяны индикаторы. То есть, печатную плату для индикатора я не разводил.

Со стороны лицевой панели индикатор закрыт куском оргстекла синего цвета. Это улучшает контрастность дисплея.

Провода щупов измерителя желательно выполнить из толстого многожильного провода, чтобы их сопротивление было как можно меньше. Сами щупы я сделал из толстых стальных швейных игл, такими щупами очень удобно измерять ESR конденсаторов непосредственно на печатных платах.
Провода щупов измерителя желательно выполнить из толстого многожильного провода, чтобы их сопротивление было как можно меньше. Сами щупы я сделал из толстых стальных швейных игл, такими щупами очень удобно измерять ESR конденсаторов непосредственно на печатных платах.

Ссылка для скачивания архива с прошивкой и печатной платой измерителя ESR
Ссылки для заказа некоторых компонентов схемы

ГДЕ СХЕМА ???
ЗВЕНЯЮСЬ, нашёл в архиве.
Была проблема с файлом картинки в статье. Восстановил. Да, в архиве тоже есть схема
Здравствуйте. А в pdf нет печатки?
Пока нет. могу сделать как будет время
Здравствуйте!
А вот у меня вопрос по диоду VD6. Д9Б найти нынче задача нетривиальная. По идее, при измерительном напряжении 0,2-0,4 вольта после трансформатора будет в 16 (700/42) раз больше. То есть 3,3…6,6 вольт. Исходя из описания, он выполняет функцию выпрямления. Может его можно заменить тем же 1N4148 или чем-то другим доступным или нужен именно германиевый Д9?
А всё, отбой, пересмотрел видео на Ютубе внимательно, там ответ на этот вопрос есть: «любым диодом Шоттки». Попробую заменить на 1N5819.
Можно попробовать поставить маломощный диод Шоттки.
Скажите пожалуйста а этот микроконтроллер можно заменить на pic16f876a или pic16f876 с этой прошивкой?
Попробуйте, хуже не будет.
Олег добрый день. Нахожусь на этапе повтореня Вашего прибора. 2 вопроса
1. Эменты фильтра после усилителя: На фото прибора поставлены электролитические емкости серии К53 или т.п. Можно-ли уточнить номиналы.
2. Повышающий трансформатор. На фото габариты сердечника явно больше ( примерно 18 мм по наружке но не 10х6х3) . Прошу также уточнить. Заранее благодарен.
Добрый день, номиналы конденсаторов есть на схеме.
размер кольца трансформатора — некритично (в разумных пределах). Главное чтобы уместились обмотки. Если размер будет чуть больше от этого не будет хуже. Вообще я этот прибор собирал очень давно, не было нормальных компонентов, ставил что есть. Работает до сих пор
добрый вечер, не могли бы сделать эту плату на diptrace shematics .dch
прошу прошу прошу
добрый вечер,как можно запустить плату прибора на diptrace shematics файл .dch
оооочень нужно
можно ли как то запустить это через diptrace shematics .dch
оооочень надо
можно ли как то запустить это через diptrace shematics .dch
оооочень надо
диаметр провода должен быть 0.26 и 0.08 или приближенное к этому чтобы влезло ?
Примерно чтобы сохранить соотношение. Главное чтобы вторичная обмотка влезла в кольцо. так как там большое число витков, то я использовал тонкий провод. Намотайте 0.1 если влезет. Или используйте кольцо большего диаметра. первичную обмотку тоже можно намотать например 0.12 или 0.2. Главное это сохранить число витков как указано в статье. Я мотал просто теми проводами которые у меня были в наличии на тот момент
А что, R1 это 5,1 Ом или мОм?
И да, обязательно ли мотать транс на кольце или можно изобразить на Ш-образном от какой-нибудь дежурки.
Как-то влом мотать 700 витков на кольце.
Имеет ли решающее значение проницаемость сердечника?